電磁流量計的選型與安裝要求
點擊次數:2379 發布時間:2021-03-03 02:23:27
儀表選型與安裝
儀表的選型是儀表應用中非常重要的工作,據有關資料統計,儀表在實際應用中有 2/3 的故障是儀表的錯誤選型和錯誤安裝造成的,請特別注意。具體注意事項如下:
1.被測流體名稱和其化學性能。
2.*大流量、*小流量和常用流量。推薦:常用流量應選擇在 1~3m/s 流速段內,如果不符,請用戶調整所選儀表的口徑規格。
3.*高工作壓力。4.*高工作溫度、*低工作溫度。
5.被測流體必須具備一定的導電性,導電率≥5μs/cm。
6.*大流量和*小流量必須符合表 2-1 的數據。
7.實際*高工作壓力必須小于流量計的額定工作壓力(見傳感器銘*)。
8.*高工作溫度和*低工作溫度必須符合流量計規定的溫度要求(見傳感器銘*)。
9.確定是否有負壓情況存在。
10.電極和襯里材料的選擇應滿足流體介質的化學性能。
2.1 公稱通徑與流量范圍

2.2 電極材料的選擇

2.3 襯里材料的選擇

2.4 接地環的選擇
若與傳感器連接的管道是絕緣性,則推薦使用接地環或接地電極,若被測介質是磨損的,應選擇帶頸襯里保護接地環。
聚四氟乙烯襯里的傳感器,安裝使用時建議配備接地環,其作用有二:一是保護襯里表面,二 是具有良好接地。

2.5 外形和安裝尺寸,見表 2-4
注:除表 2-4 標準連接尺寸和公稱壓力以外,可依據用戶要求,根據用戶實際安裝位置尺寸,管道公稱壓力進行非標準設計和制造。
2.5.1 轉換器的結構和外形尺寸(詳見轉換器部分)
2.5.2 電磁流量計(含傳感器)外形及連接尺寸(見圖 2-2,表 2-4)


常用規格電磁流量計外形尺寸和法蘭連接尺寸

常用規格電磁流量計外形尺寸和法蘭連接尺寸

2.6 儀表安裝
2.6.1 安裝須知
流量計的設計、試驗和供電均有安全規定,用戶必須嚴格遵守本說明書的有關條款確保流量計的安全操作及運行。保證電磁流量計測量精度的必要條件如下:
1.被測液體介質必須具有導電性。
2.被測液體介質必須充滿管道。
3.被測液體介質必須均勻,以避免電導率的不均勻性(會產生嚴重干擾),如需動態加入化學物質,應在儀表下游處注入。
4.電磁流量計系統必須良好接地。
5.流量計入口直管段至少 5 倍 DN (測量管道內徑),出口直管段至少 2 倍 DN。
6.在流量計附近,避免強電磁場干擾,避免安裝在大型電機或變壓器等設備附近。
2.6.2 安全措施
為保障人身和設備的安全,須遵守以下條款:
1.在選擇位置和安裝流量計之前,必須認真閱讀完本說明書有關部分,同時要考慮流量計、相關設備和機身環境的安全要求。
2.應由具備一定儀表知識的人員進行儀表的安裝和維修。
3.正確安裝流量計傳感器及配管,保證密封安全可靠,液體壓力不得超過銘*上規定的*高工作壓力。
4.采取一定措施,防止觸電事故。
5.流量計的吊裝設備應符合安全規定。
2.6.3 安裝前的檢查
1.檢查法蘭、襯里、殼體和出線套有無損傷。
2.打開盒蓋、檢查接線印刷電路板有無松動或損壞。
3.檢查銘*中型號編碼與訂貨編碼是否相符。
2.6.4 吊裝
流量計應采用正確吊裝方法進行吊裝,吊裝設備的安全載荷及防護措施應符合有關規定。禁止在轉換器箱體(一體式流量計)或接線盒(分離型流量計)處用繩拴接起吊儀表。

2.6.5 正確選擇安裝位置
正確地選擇安裝位置和正確安裝流量計都是非常重要的環節,若在安裝環節失誤,輕者影響測量精度,重者會影響流量計的使用壽命,甚至會損壞流量計。選擇安裝位置時應注意以下問題:
1.測量電極的軸線必須近似于水平方向(與水平線夾角一般為 10°以內)

2.測量管道內必須完全充滿液體。
3.流量計的前方*少要有 5×D(D 為流量計內徑)長度的直管段,后方*少要有 2×D(D為流量計內徑)長度的直管段。

4.流體的流動方向和流量計的箭頭方向一致。
5.管道內要有真空會損壞流量計的內襯,需特別注意。
6.在流量計附近應無強電磁場,儀表安裝場所的磁場強度應小于 400A/m(避免安裝在大型電機或變壓器等設備附近)。
7.若測量管道有振動,在流量計的兩邊應有固定的支座。
8.測量不同介質的混合液時,混合點與流量計之間的距離*少要有 30×D(D 為流量計內徑)。
9.為方便今后流量計的清洗和維護,應安裝旁通管道。

10.安裝聚四氟乙烯內襯的流量計時,連接兩法蘭的螺栓應注意均勻擰緊,否則容易壓壞聚四氟乙烯內襯,*好用力矩扳手。
11.儀表應避免強烈振動和過大的溫度變化,同時要防止腐蝕性液體的滴漏對儀表造成損害。
12.如果安裝地點易受陽光曝曬,應當增加遮蔽設施。
13.安裝傳感器時,應保證測量管與工藝管道同軸。對 50mm 及以下公稱通徑的傳感器,其軸線偏離不超過 2mm。DN65~DN150 其軸線偏離不超過 3mm,≥DN200 其軸線偏離不超過 4mm。
14.法蘭之間加裝的法蘭墊圈,應有良好的耐腐蝕性能,該墊圈不得伸入管道內部。
15.緊固儀表螺栓、螺母,其螺紋應完整無損,潤滑良好。應依據法蘭尺寸、力矩大小采用力矩扳手緊固螺栓。
16.在傳感器鄰近管道進行焊接或火焰切割時,要采用隔離措施,防止襯里受熱,且必須確認儀表未通電運行,防止損壞儀表。
2.6.6 安裝方式
應安裝在水平管道較低處和垂直向上處,避免安裝在管道的*高點和垂直向下處。

應安裝在管道的上升處。

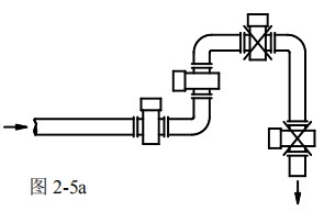
在開口排放的管道安裝,應安裝在管道較低處。若管道落差超過 5m,在傳感器的下游安裝排氣閥且傳感器的下游應有一定的背壓。

應在傳感器的下游安裝控制閥和切斷閥,而不應安裝在傳感器上游。

傳感器絕對不能安裝在泵的進口處,應安裝在泵的出口處。

在測量井內安裝流量計的方式:1.入口 2.溢流管 3. 清洗孔 4.入口柵 5. 短管 6.流量計 7.出口 8.排放閥

2.6.7 接地要求
電磁流量計的接地是非常重要的,若接地不好,無法正常運行,傳感器部分應有良好的單獨接地線(銅芯截面積為 1.6mm2),接地電阻<10Ω 。
1.接地環
若與傳感器連接的管道是絕緣性的,則需用接地環,應選擇其材質和電極的材質一樣,若被測介質是磨損性的,應選擇帶頸接地環。

2.接地方式
流量計在金屬管道上的安裝,金屬管道內壁沒有絕緣涂層。

流量計在塑料或內壁有絕緣涂料、油漆、內補等管道上安裝時,應在傳感器的兩端安裝接地環。

流量計在陰極保護管道上安裝,防護電解腐蝕的管道一般在其壁和外壁是絕緣的,安裝時注意接地環和管道上的法蘭應絕緣。

2.6.8 改變轉換器盒的方向
轉換器盒可以根據需要作四個不同方向的轉變。
1.一體型流量計的轉換器盒方向的改變
① 取下固定轉換器盒的 4 個六角螺絲。
② 將轉換器盒轉到理想的方向,旋轉時注意內部連接線。
③ 重新固定轉換器盒。
2.分體型流量計的接線盒方向的改變
① 取下固定接線盒的 4 個六角螺絲
② 將接線盒轉到理想的方向,旋轉時注意內部連接線
③ 重新固定接線盒。
2.7 運行
應遵守 2.6.1 節及 2.6.2 節中的各項安全條款和規定。
2.7.1 運行前的檢查
流量計投運前進行下述檢查:
1.流量計在運輸和安裝中有無損傷;
2.使用電源電壓同銘*電壓是否相符;
3.使用正確流量值的保險絲;
4.表正確接地;
5.量程設定是否正確(見轉換器部分有關內容);
檢查后,打開管道閥門使液體充滿管線系統,應注意排除泄露和系統內的殘留氣體。接通儀表電源,一般流量計通電預熱 10 分鐘即可正常工作。
2.7.2 流向調整
流量計和流向規定見 2.6.5 節,對于分離型流量計,雖然安裝傳感器能保證流向箭頭同現場實際正向一致。因存在用戶接線的問題,有可能出現下述狀況:
1.具有單向輸出轉換器,有正向流量時輸出顯示零或負值(如0~10mA的0mA或4~20mA的4mA)。
2.具有雙向顯示的轉換器,有正向流量時,輸出為負向顯示。此時只要斷開電源,調接任一側兩勵磁線(EXT+及 EXT-)位置,就可使輸出方向,實際正向流向、箭頭方向保持一致。
2.8 維修
進行維修之前,必須閱讀 2.5.1 節及 2.5.2 節中的安全條款。
當確認流量計發生故障時,可同制造廠聯系。
2.8.1 常規維修
一般需目檢電氣連接有無破損及儀表工作是否正常。
2.8.2 故障檢查(參照轉換器部分有關內容)
如果儀表不能令人滿意地工作,可按以下步驟檢查:
1.檢查流量計管線閥門是否全部打開,管道是否充滿液體,流量計是否在接近流量范圍上限值流量下工作;
2.檢查儀表電源、開關、保險絲等供電設施是否正常;
3.檢查故障點是在電纜中還是在儀表中;
4.檢查轉換器的編號和儀表系數與傳感器是否一致;
5.檢查量程設定是否正確;
6.檢查流量計輸出連接是否正確及接地是否良好;
7.按轉換器部分規定內容檢查。
2.8.3 電磁流量計故障分析和現象匯總表:

2.9 運輸與貯存
為防止儀表在轉運時受到損傷,在到達安裝現場以前,請保持制造廠發運時的包裝狀態。在存過程中,貯存地點應具備下列條件:
1.防雨防潮;
2.機械振動小,并避免沖擊;
3.溫度范圍-20~60℃;
4.溫度低于 80%,*好在 50%左右;
5.貯存使用過的傳感器,須先清除附著于襯里和電極表面上的被測介質;
6.露天貯存,儀表性能可能會受影響。
上一篇:電磁流量計參數設置
下一篇:渦輪流量計量程范圍