測水流量計的使用方法
點擊次數:3893 發布時間:2021-09-13 06:00:43
三、轉換器
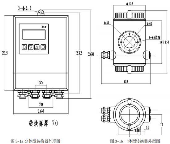
3.1 安裝尺寸圖

3.2 鍵盤定義與顯示


3.3 接線端子示意圖及端子定義


3.3.1 方型轉換器接線端子功能定義,見圖 3-3a

3.3.2 方型轉換器與傳感器信號接線的處理與標示,見圖 3.4

注:
轉換器側:
紅、綠芯線分別接到方形轉換器的 SIG1 和 SIG2 端子;
金屬網屏蔽層接到方形轉換器的 SIG GND 端子
變送器側:
紅、綠芯線分別接到變送器的 SIG1 和 SIG2 端子;
金屬網屏蔽層接到變送器的 SIG GND 端子。
對于流量信號電纜,只要能夠正確接線,應盡量少剝屏蔽層。
3.3.3 圓型轉換器接線端子功能定義,見圖 3-3b

3.4 電氣接線
為保證出線套的密封可靠,接線時應采用圓截面電纜。
3.4.1 接線要求
所有接線應在切斷供電電源后進行。
1.在確認電纜型號后,按規定進行接線,接線應正確、牢靠。
2.按正確程序將電纜穿進出線套:*先松開出線套壓緊螺母,拿掉堵板。依次給電纜套上壓緊螺母、橡膠圈,再將電纜穿出線套。接線完成后理順電纜,并旋緊壓緊螺母使橡膠圈緊壓電纜。
3.電纜剝線時,注意不要損傷應予保留的絕緣層。對流量信號芯線,只要可以接線,就盡量少剝屏蔽層。對 STT3200 電纜,兩同軸電纜的內層屏蔽泄漏線絞合后,應套上絕緣套管,然后再接至 SGND 端。對黑色半導體層應從根部切除,以免影響其他接線。
3.4.2 電纜
傳感器與轉換器之間的電纜長度與流體電導率和現場電氣干擾等因素有關,電纜長度可用以下公式估算:
L≤σ ×4
式中: L-電纜長度(m)
σ -流體電導率(μS/㎝)
但電纜一般不得超過 100 m。為保證測量精度和防止干擾,要求轉換器盡量靠近傳感器安裝。
1.勵磁電流線
勵磁電流線可采用二芯絕緣橡皮軟電纜線,建議型號為 YHZ-2×1 ㎜ 2或 RVVP2×32/0.2。
勵磁電流線的長度與信號電纜長度一致。當使用 STT3200 專用電纜時,勵磁電纜與信號電纜合并為一根。
2.流量信號線
分體型轉換器與傳感器配套使用時,對被測流體電導率大于 50μS/㎝的情況,流量信號傳輸電纜可以使用型號為 RVVP2×32/0.2 的聚氯乙烯護套金屬網屏蔽信號電纜。使用長度應不大于 100 m。信號線與傳感器配套出廠。信號線的處理可按圖 3-4 進行。
本轉換器提供有等電位激勵屏蔽信號輸出電壓,以降低電纜傳輸的分布電容對流量信號測量的影響。當被測電導率小于 50μS/㎝或長距離傳輸時,可使用具有等電位屏蔽的雙芯雙重屏蔽信號電纜。例如 STT3200 專用電纜或 BTS 型三重屏蔽信號電纜。
3.4.3 電源線
1.電源線可采用二芯絕緣橡皮軟電纜線,建議型號為 YHZ-2×1mm2。
2.對于交流供電轉換器,相線應接“L1”端子上!
3.對于直流供電轉換器,應注意到電線電阻與電源電壓有關,一般在 24V 供電電纜電阻不應大于 10Ω 。電源線的電阻值由導線的長度和截面決定。
4.轉換器殼體必須接地!接線端子 PE 應采用不小于 1.6mm2接地銅線接大地。接地電阻值應不大于 10Ω 。
3.4.4 電流輸出線
使用電流輸出線(4-20mA)時,應注意到導線的電阻與負載電阻之和不得大于 750Ω 。電流輸出接線見圖 3.5。

3.4.5 頻率(脈沖)、上下限報警、流向標示等輸出均為集電極開路的電平輸出信號。
它們需要外接供電電源和負載,見圖 3.6b、3.6d。使用感性負載時,應如圖 3.6a 所示加續流二極管。


頻率輸出(脈沖輸出)推薦使用外供電源!若使用內部+12V 電源,分體轉換器 DIP 開關 SW1的兩個開關均應撥在“ON”位置。(參閱圖 3.3a;3.6b)
3.4.6 外部控制接點輸入(IN+、IN-)由開關或繼電器觸點 ON/OFF 控制,見圖 3.7。
注意,接點間電阻應小于 5Ω 。

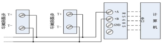
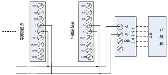
3.5 數字通訊接口及接線
RS-232C 接口:按 IEEE RS-232C 接口標準設計,標配為非電氣隔離方式,可選光電隔離型接口。可支持 MODBUS 協議 RTU 格式。
RS-485 接口:按 IEEE RS-485 接口標準設計,標配為非電氣隔離方式,可選光電隔離型接口。可支持 MODBUS 協議 RTU 格式和 PROFIBUS-DP 通訊方式。
3.5.1 RS232 接線,如下圖所示:

3.5.2 RS485 接線
3.5.2.1 非電氣隔離方式接線

一體轉換器接線(非電氣隔離方式)

分體轉換器接線(非電氣隔離方式)
3.5.2.2 帶光電隔離方式接線(包括 MODBUS 和 PROFIBUS-DP 通訊)

一體轉換器接線(光電隔離方式)

分體轉換器接線(光電隔離方式)
3.5.3 HART 通訊手操器與測水流量計的連接
手操器與測水流量計連接如下圖所示:

說明:
1)手操器并聯在測水流量計電流輸出的負載兩端沒有極性;
2)回路中的電阻應大于 200Ω ,小于 500Ω ;
3)手操器不能串入電流回路。
注意:測水流量計用手操器設置參數,通訊地址為非 0 值,波特率為 14400。若儀表通訊方式、地址及波特率設置不正確,手操器將不能設置參數!
3.6 數字量輸出:
數字量輸出是指頻率輸出和脈沖輸出.頻率輸出和脈沖輸出在接線上用的是同一組輸出端子,因此,用戶不能同時選用頻率輸出和脈沖輸出,而只能選用其中的一種。
3.6.1 頻率輸出方式:
頻率輸出對應的是流量百分比,

頻率輸出的上限可調。其測量范圍如 0~1000HZ 或 0~5000HZ 等.
頻率輸出方式一般用于控制應用,因為它反映百分比流量,若用戶用于計量應用,則應選擇脈沖輸出方式.
3.6.2 脈沖輸出方式:
脈沖輸出方式主要用于計量方式。應用時應選擇適當的脈沖當量和脈沖寬度。脈沖當量采用與計量部門及其它流量儀表習慣一致的定義,即每個脈沖代表多少單位體積(或質量)。
一定流量下,選擇小的脈沖當量,相同時間內輸出的脈沖數多,計量精度高。但是在短時間內,容易將計數器記滿造成溢出。選擇大的脈沖當量時,輸出的脈沖數少,相同計數器位數的計數時間長,相應的頻率低。由于此時的計數器多采用電磁計數器,脈沖電流大。因此應注意選擇適當的脈沖寬度以減少計數器線圈導通時間,減低功耗。但是也不能選擇過小的脈沖寬度, 否則容易丟失脈沖數。
另外,必須說明,脈沖輸出不同于頻率輸出,脈沖輸出不是很均勻的脈沖串。一般測量脈沖輸出應選用計數器儀表,不應選用頻率計儀表。
3.6.3 頻率(脈沖)輸出的接線端子
P+/PUL+ — 頻率(脈沖)輸出+ 端子;
COM/PCOM — 頻率(脈沖)接地端子。
3.6.4 狀態輸出
本轉換器具有上限報警、下限報警、流向/量程標示三種狀態輸出。其+接線端子分別為 ALM+(AH)、ALM-(AL)和 PDIR(FDIR)。狀態輸出接線的另-端子是公用的 ALCOM(COM)。括號內為圓形轉換器的端子標示。
PUL+/ P+、ALM+(AH)、ALM-(AL)和 PDIR(FDIR)均為集電極開路(OC 門)輸出(參閱圖 3.6b、3.6d,用戶接線時必須參照如下電路外接電源和負載:
3.6.5 數字量電平輸出接法

3.6.6 數字量輸出接光電耦合器(如 PLC 等)

一般,用戶端光耦需 10mA 左右電流,負載電阻 R=E/10mA 左右,E=5~24V。因此,R=0.5~2.5kΩ 。
3.6.7 數字量輸出接繼電器

一般中間繼電器需要的 E 為 12V 或 24V。D 為續流二極管,目前大多數的中間繼電器內部有這個二極管。若中間繼電器自身不含有這個二極管,用戶應在外部接一個。
3.7 模擬量輸出
本轉換器出廠默認為有源電流輸出。若要使用無源電流輸出,須在訂貨時注明!
模擬量輸出分成兩種信號制:0~10mA 和 4~20mA 信號制。使用時,用戶通過參數設置在兩種信號制中選擇一種即可。切換兩種信號制后,還需相應調整“電流零點修正”和“電流滿度修正”才能保證輸出精度。
模擬量電流輸出為內部 24V 供電,在 4~20mA 信號制下,可驅動 750Ω 的負載電阻。模擬量電流輸出對應流量的百分比流量,即:

對于 0~10mA 信號制,電流零點為“0”,對于 4~20mA 信號制,電流零點為 4mA。因此,為提高輸出模擬量電流的分辨率,用戶應適當選擇流量計的量程。本轉換器可選用量程自動調整達到這一要求。電流輸出*大超量程輸出約 22mA。
流量計在出廠時,制造廠已將模擬量輸出的各參數校準好。一般情況下,不需要用戶再作調整。若出現異常情況,需要用戶校準模擬量輸出時,只需進入電流零點修正和電流滿度修正兩菜單,按下列操作規程進行,不需要外接信號源。
1.儀表調校準備
在電流輸出端接 0.1%級電流表(或接 100Ω 標準電阻和 0.1%數字電壓表,變成 0.4~2V 電壓測量)。儀表開機運行 15 分鐘,使儀表內部達到熱穩定,準備調節電流輸出零點系數和量程系數。
2.電流“0”點修正:
將轉換器設置到參數設置狀態,選擇“電流零點修正”項,進入,調整修正系數值,使電流表正好指示 4mA(±0.004mA)。按下確認鍵
。

3.電流滿度修正
選擇“電流滿度修正”參數,進入,調整轉換器修正系數,使電流表正好指示 20mA(±0.004mA)。按下確認鍵
。

調整好電流的“0”點和滿量程值后,轉換器的電流輸出功能就能保證達到精度。轉換器的電流輸出線性度在 0.1%以內。
3.8 接點控制輸入
通過接點輸入通/斷,提供給 CPU 端口低/高電平的狀態信號,從而控制流量累計計數器的計數與停止,清零與保持計數,實現批量控制、同步檢驗和遠程控制清零。
當選定累積停止或累積清零,接點被接通則計數器停止累計或計數器被清零。接點被斷開,則計數器累計計數。
3.9 儀表參數設置
儀表有兩個運行狀態:自動測量狀態、參數設置狀態。儀表上電時,自動進入測量狀態。在自動測量狀態下,儀表自動完成各測量功能并顯示相應的測量數據。在參數設置狀態下,用戶使用四個面板鍵,完成儀表參數設置。
3.9.1 鍵功能(參見圖 3.2)
1.自動測量狀態時鍵功能:

2.參數設置狀態時鍵功能:

3.9.2 參數設置功能鍵操作

3.9.3 參數設置菜單
LDG 共有 45 個菜單項,使用儀表時,用戶應根據具體情況設置或選擇各參數。LDG 菜單一覽表如下:

注:
1、序號 36 和 37 項為掉電時間記錄功能,無掉電功能轉換器,此參數項無效。
2、總量清零密碼出廠設置為:36666
3.9.4 儀表參數說明
儀表參數決定儀表的運行狀態、計算方法、輸出方式。正確地選用和設置儀表參數,可使儀表運行在*佳狀態,能得到較高的測量顯示精度和測量輸出精度。
儀表參數設置功能設有 5 級密碼。其中,0~3 級為用戶密碼,* 4 級為制造廠密碼。用戶可使用* 4 級密碼來重新設置* 1~3 級密碼。另外,還設有總量清零密碼專門用于累計計數回零。
無論使用哪級密碼,用戶均可以察看儀表參數。但用戶若想改變儀表參數,則要使用不同級別的密碼。
* 0 級密碼(固定值 0521):用戶能察看所有的參數,但不可修改;
* 1 級密碼(出廠值 7206):用戶能改變 1~25 儀表參數;
* 2 級密碼(出廠值 3110):用戶能改變 1~29 儀表參數;
* 3 級密碼(出廠值 2901):用戶能改變 1~38 儀表參數;
* 4 級密碼(固定值):用戶能改變所有的參數和進行參數初始化。
建議由用戶較高級別的人員掌握* 3、4 級密碼;* 3 級密碼,還可用于設置總量清“0”密碼;* 0~2 級密碼,由用戶決定何級別的人員掌握。
3.9.4.1 測量管道口徑
LDG 型測水流量計轉換器可按查表形式選擇配套的公稱通徑為 3~3000mm 范圍的傳感器。
3.9.4.2 流量量程設定
流量量程是指流量測量的上限流量值(滿量程)。上限流量值是針對輸出信號和百分比顯示而言的。它與電流輸出上限值和頻率(脈沖)輸出上限值及 100%顯示值相對應。與之相關聯的還有用百分比流量表示的小信號切除和超限報警。本轉換器的流量顯示與流速顯示在規定的范圍內不受流量量程的限制。
在流量量程設定參數中選擇流量顯示單位,儀表流量顯示單位有,體積流量單位:L/s、L/min、L/h、m3/s、m3/min、m3/h 和質量流量單位:kg/s、kg/m、kg/h、t/s、t/m、t/h,用戶可根據工藝要求和使用習慣,選定一個合適的流量顯示單位。
注意:儀表用 5 位有效數字顯示流量值,末位數值的后面顯示有流量的單位
3.9.4.3 量程自動切換
轉換器具有可選的兩個量程自動切換功能,可方便地用于晝夜流量變化范圍大的自動控制測量系統。在“流量量程設定”菜單下設置的量程值為*一量程(高量程)。在“量程自動切換”菜單下可選擇 1:2、1:4 或 1:8 作為*二量程(低量程),*二量程值為*一量程值的 1/2、1/4或 1/8。
圖 5.1 是量程比為 1:4 的量程自動切換曲線。為切換安全可靠,自動設置有 5%~10%的滯后特性。當切換量程后,PDIR(FDIR)端子輸出低電平(0V)為*一量程(高量程);端子輸出高電平(+12V)為*二量程(低量程)。同時,測量界面上行指示可提示當前量程比為 1:1、1:2、1: 4 或 1:8。

3.9.4.4 測量阻尼時間
長的測量阻尼時間能提高儀表流量顯示穩定性及輸出信號的穩定性,適于具有流量調節的情況使用;短的測量阻尼時間可以加快測量反映速度,適于總量累計的脈動流量測量。測量阻尼時間的設置采用選擇方式,用戶選一個阻尼時間值,即可使用。
3.9.4.5 流量方向選擇
如果用戶認為調試時的流體方向為正,而儀表顯示為負,則將流量方向設定反向,反之亦然。
3.9.4.6 流量零點修正
在電磁流量傳感器的測量管內充滿導電流體,并且流體處于靜止不流動,轉換器已經對流量計的零點做了智能化處理。若所配傳感器的零點超出轉換器的智能處理范圍,用戶需要進行流量零點修正。流量零點是用流速表示的,單位為m/s。轉換器流量零點修正顯示如下:

顯示中:上行“基準”代表儀表零點的測量值,下行顯示是流量零點修正值。當“基準”顯示不為“0”時,應調修正值使基準=0。注意:若改變下行修正值,“基準”值增加,需要改變下行數值的正、負號,使“基準”能夠修正為零。
再次提醒:流量零點修正必須在電磁流量傳感器的測量管內充滿導電流體,并且流體處于靜止不流動條件下進行。流量零點的修正值是傳感器的校驗常數值,應記入傳感器的記錄單與標*。記入時傳感器零點值是以包含符號、m/s為單位的流速值。
3.9.4.7 小信號切除點
小信號切除點設置是用量程的百分比流量表示的。選擇允許小信號切除時,將切除流量、流速及百分比的顯示與信號輸出;選擇禁止時,則不進行任何切除。
3.9.4.8 變化率限制與不敏感時間

“變化率限制值”與“不敏感時間值”是用來消除某些增加阻尼不能除去的噪聲。它能夠從真實的流量信號中判別出階躍信號引起的噪聲和漿液尖狀噪聲。這種判別是以變化率的限制和持續時間為依據的。圖 5.2 所示為使用變化率限制技術去除粗大誤差的原理說明。該功能為在前面采樣中獲得的流量數據經一階濾波后的,設定某一上限和下限(變化率)。如果當前采樣的流量數據超過或低于這個極限值,而且在超過或低于這個極限值的變化時間之內,則認為這種變化是由于噪聲所引起的,CPU 予以切除;而當超過或低于這個極限值的變化在設置的不敏感時間以外,則認為這種變化是由于真正的流量變化所引起,CPU 就認可是測量流量的變化。
本產品的變化率設置范圍可在 0~30%內選定,不敏感時間可在 0~20s 內選擇。當變化率限制值和不敏感時間值兩者任一個為 0 時,這種功能將被關閉。一般推薦值為:變化率限制值為 10%,不敏感時間值為 3s。
注意,短時間的測量,特別是傳感器出廠校驗時不可使用這種功能。
3.9.4.9 流量積算單位
轉換器顯示器為10位計數器,*大允許計數值為 9999999999。使用積算單位為 L、m3、USgal、Igal 和 kg、t。并有以 0.001、0.01、0.1、1.0 為倍率的上述單位顯示。可方便讀出一段時間的累計流量。
3.9.4.10 被測流體密度
本轉換器具有質量流量測量功能。根據流量量程設置選擇的質量流量單位,可以確定被測流體的密度單位。密度設置可在 0.001~9.999 范圍之內。但絕對不能使密度值為 0。否則流量測量的結果總為零值。
3.9.4.11 電流輸出類型
用戶可在電流輸出類型中選擇 0~10mA 或 4~20 mA 的模擬電流輸出。
3.9.4.12 脈沖輸出方式
脈沖輸出方式有頻率輸出和脈沖輸出兩種供選擇。頻率輸出為連續方波;脈沖輸出為矩形波脈沖串。頻率輸出多用于數字的瞬時流量測量和短時間總量累積;脈沖輸出通過脈沖當量選擇,可讀出累計流量的容積值,多用于長時間直接容積單位的總量累積。
頻率輸出和脈沖輸出為 OC 門輸出形式。因此,應外接直流電源和負載。具體見* 3.4.5 節的圖 3.6。
3.9.4.13 脈沖當量選擇
脈沖當量定義:每個脈沖代表的體積或質量流量。
在同樣的流量下,脈沖當量小,則輸出脈沖的頻率高,適于電子計數器累計流量;脈沖當量大,輸出脈沖的頻率低,適于用于*高頻率可達 25 次/秒的機械式電磁計數器計數。
脈沖當量可以選擇 0.0001L/p、0.001L/p、0.01L/p、0.1L/p、1.0L/p、2L/p、5L/p、10L/p、100L/p、1m3/p、10m3/p、100 m3/p 和 1000 m3/p。脈沖輸出上限可達 5000cp/s。
脈沖寬度可以選擇:自動、10ms、20ms、50ms、100ms、150ms、200ms、250ms、300ms、350ms和 400ms。在選擇脈沖寬度時,要考慮不能與脈沖輸出的*大頻率沖突。
3.9.4.14 頻率輸出滿度
儀表頻率輸出滿度對應于流量測量上限,即百分比流量的 100%。頻率輸出上限值可在 1~5000Hz 范圍內任意設置。
3.9.4.15 空管報警允許
儀表具有空管檢測功能,若用戶選擇允許空管報警,則當儀表檢測出空管狀態時,即將儀表模擬輸出、數字輸出置為信號零,同時將儀表流量顯示為零。
3.9.4.16 電極報警閾值
本產品空管報警和電極報警是用恒流源方法實測傳感器電極電阻,來做智能判斷。按測水流量計信號內阻公式:

式中 d——電極直徑,σ ——流體電導率,電極電阻一般在 5~50kΩ 。測量電阻與流體電導率、電極直徑有關。測量電阻能夠反映電極表面污染、附著以及受電解質流體極化影響等不同情況。流體不充滿,電極不能正確檢測感應信號。測量電阻向 CPU 提供電極狀況信息,由 CPU 做出空管和電極異常的判斷,轉換器提請用戶做出適當的電極維護。
本產品改善了空管報警的智能化程序,僅以初測的電極電阻值為基礎,選擇適當的電極電阻閾值(一般取初測電極電阻值的 3 倍值為參考閾值)。恒流源方式測電阻使測量不受電纜長度影響,從而使操作更加簡便,檢測更加可靠。
3.9.4.17 上限報警允許
用戶選擇允許或禁止。
3.9.4.18 上限報警閾值
上限報警值以量程百分比計算,該參數采用數值設置方式,用戶在 0%~199.9%之間設置一個數值。儀表運行時,當流量百分比大于該值時,儀表將輸出報警信號。
3.9.4.19 下限報警允許
用戶選擇允許或禁止
3.9.4.20 下限報警閾值
下限報警閾值以量程百分比計算,該參數采用數值設置方式,用戶在 0%~199.9%之間設置一個數值。儀表運行時,當流量百分比小于該值時,儀表將輸出報警信號。
3.9.4.21 反向測量允許
反向測量允許設置在“允許”狀態,當流體反向流動時,轉換器按反向流量值輸出脈沖和電流,反向總量進行累積。反向測量允許設置在“禁止”狀態,當流體反向流動時,轉換器輸出脈沖為“0”,電流輸出為信號“0”(4mA 或 0mA),但反向總量仍然進行累積。
3.9.4.22 總量清零密碼
在該參數設置中,用戶置入“積算總量清零”的密碼,儀表確認密碼無誤后,自動完成積算量清零。同時將三個積算器清為零值,重新開始累積。
“積算總量清零”密碼可以在用 3 級密碼進入設置狀態后,在“清積算量密碼”菜單下置入您想要設置的“積算總量清零”密碼,修改原來的“積算總量清零”密碼。注意:請記下您的“積算總量清零”密碼。
3.9.4.23 傳感器系數值
儀表配套的傳感器出廠校驗單或產品標*上,應標有“傳感器系數”。用戶應將“傳感器系數”置入儀表的傳感器系數值參數中。
3.9.3.24 勵磁方式選擇
轉換器能向傳感器提供四種勵磁方式。用戶可根據被測流體實際情況選擇一種。通常可以使用方式 1 勵磁,方式 2,3 適合于大口徑清潔水測量。注意,在哪種勵磁方式下工作,傳感器就必須在該種勵磁方式下標定。
3.9.4.25 儀表標定系數
該系數為人為設定的系數。轉換器內部計算時,總流量是測量流量乘以該系數值。例如,應用于具有仿真傳感器的明渠測量潛水測水流量計或現場標定后對儀表進行修正。
3.9.4.26 正向總量預置和反向總量預置
用于更換轉換器時保留原先流量積算值的累數值,以便于保持連續累計總量。
3.9.4.27 輸入控制選擇
本轉換器具有接點輸入控制功能,主要用于遠程累計量清零、累計量同步顯示和批量控制輸入。
選擇“輸入禁止”時,該功能被取消。選擇“累積停止”時,使用與換向器同步開關,可以使轉換器的流量積算器與其它標準容器或標準流量積算器同步計數,同步停止。在一定權限下選擇“累積清零”時,可以清掉流量積算器的積算值。
3.9.4.28 電流零點修正
轉換器出廠時電流輸出零點調節,使電流輸出準確為 0mA 或 4mA。
3.9.4.29 電流滿度修正
轉換器出廠時電流輸出滿度調節,使電流輸出準確為 10mA 或 20mA。
3.9.4.30 出廠標定系數
轉換器制造廠用該系數使儀表勵磁電流和信號放大器規格標準化。
3.9.4.31 傳感器編碼
傳感器編碼記載配套的傳感器出廠時間和編號,以確保設置的傳感器系數準確無誤。
3.9.4.32 轉換器編碼
轉換器編碼記載轉換器出廠時間和編號。
3.9.4.33 時間 年、月、日、時、分、秒(帶時鐘功能)
用戶使用 4 級密碼進入,可改時間 年、月、日、時、分、秒;
3.9.4.34 用戶密碼 1~3 修改
用戶使用 4 級密碼進入,可修改此密碼;
3.10 附加功能(選項)說明
3.10.1 掉電計時功能
本功能只適用于帶有掉電計時功能的轉換器。儀表內部設有不掉電實時時鐘,能夠自動累計掉電時間多達 10000 小時,掉電次數 10000 次,同時可保存 40~256 條掉電、上電的時間以及掉電時刻的瞬時流量記錄。當 40~256 次掉電記錄記滿后,將循環保存新的掉電記錄。
3.10.1.1 顯示掉電次數及累計掉電時間

3.10.1.2 瀏覽掉電和上電時間記錄

該記錄表示:*一條掉電記錄(No.1),停電時間為 07 年 12 月 22 日 13 點 35 分 05 秒,重新上電時間為 07 年 12 月 23 日 10 點 45 分 20 秒,掉電時的瞬時流量為 168.74m3/h,該次掉電時間長度為 21 小時 10 分鐘。
3.10.1.3 清除掉電記錄

3.10.2 定量控制功能
本功能只適用于帶有定量控制功能的轉換器。
3.10.2.1 菜單設置
定量控制功能的設置主要與兩個菜單項有關系:“流量積算單位”和“定量控制設置”。詳細說明如下:
1.流量積算單位
流量積算單位可以選擇 0.001m3、0.01m3、0.1m3、1.0m3、0.001L、0.01L、0.1L、1.0L。
2.定量控制設置
該菜單用以設置定量值。例如:2.000m3。
3.10.2.2 與定量控制有關的顯示內容

上例表示,當前累積量為 43.000m3,定量值為 2.000 m3,則繼電器斷開的目標值為 45.000m3。
3.10.2.3 操作說明及步驟
1.要保證測量方向為正向測量和累積。
2.設置定量值。
3.由端子 IN+和 IN-引出線接啟動按鈕或啟動控制信號(參見圖 3.7),用來實現定量控制啟動同步。當按一下啟動按鈕,轉換器記錄當前累積量,并根據定量值計算出目標累積量,開始計數。當目標值到,輸出繼電器信號。
4.定量控制的繼電器接點由端子 ALM+和 ALM-輸出。當定量目標值達到時,繼電器接點為斷開;當定量目標值未達到時,繼電器接點為閉合。
5.繼電器接點的*大允許功率為 60W。
3.11 自診斷信息與故障處理
電磁流量轉換器的印刷電路板采用表面安裝技術,對用戶而言,是不可維修的。因此,用戶不能打開轉換器殼體。

故障處理:
LDG 智能轉換器與電磁流量傳感器一同組成測水流量計進行流量測量,因此在處理轉換器故障前,請應*先確認管線流體流動狀態、傳感器、系統接線等是正常的!
3.11.1 儀表無顯示
a) 檢查電源是否接通;
b) 檢查電源保險絲是否完好,保險絲的更換應是同型號規格的;
c) 檢查供電電壓是否符合要求;
d) 檢查顯示器對比度調節是否能夠調節,并且調節是否合適;
e) 如果上述前 3 項 a)、b)、c)都正常,
f) 當查不出問題時,請將轉換器交生產廠維修。
3.11.2 勵磁報警
a)勵磁接線 EX1 和 EX2 是否開路;
b)傳感器勵磁線圈總電阻應小于 150Ω ;
c)如果 a)、b)兩項都正常,則轉換器有故障。
3.11.3 空管與電極報警
1.測量流體是否充滿傳感器測量管;
2.用導線將轉換器信號輸入端子 SIG1、SIG2 和 SIG GND 三點短路,此時如果“空管報警”和“電極異常”提示撤消,說明轉換器正常,有可能是被測流體電導率低或電極被氣體覆蓋緣故。
3.檢查信號連線是否正確;
4.電極異常
在傳感器有流體充滿的情況下,使用如 500 型指針式萬用電表,電阻×1kΩ 檔,檢查傳感器電極電阻。萬用電表紅色試筆分別接電極,黑色試筆接接液電極(接液環或金屬管道),萬用電表指針自左向右擺動,指示約至 3~50kΩ ,然后自右向左放電,兩電極向右擺動的差值不超過 20%,否則說明電極被污染、覆蓋。
使用數字萬用表分別測量 DS1 和 DS2 對接液點(接液電極、接液環、金屬管道)之間的直流電壓應小于 1V,兩電極之間的直流電壓差值應在 50mV 以下。否則說明傳感器電極被極化。
3.11.4 上限報警
上限報警提示出輸出電流和輸出頻率(或脈沖)都超限。將流量量程改大可以撤消上限報警。
3.11.5 下限報警
下限報警提示出輸出電流和輸出頻率(或脈沖)都超限。將流量量程改小可以撤消下限報警。
3.11.6 系統設置錯誤
已在流量量程設置、流量積算單位設置和脈沖當量設置中做出智能判斷并提示,方便修改設置。
3.11.7 系統自檢報警,
若系統自檢報警, 則請將轉換器交生產廠維修。
3.11.8 測量的流量不準確
1.被測量流體是否充滿傳感器測量管,管道內是否有氣泡;
2.信號線連接是否正常,絕緣是否下降,接地是否良好;
3.檢查傳感器系數、傳感器零點、出廠標定系數是否按傳感器標*或出廠校驗單設置正確;
4.檢測傳感器電極與液體的接觸電阻和電極絕緣是否良好。
3.11.9 通訊故障檢查
1.232/485 轉換接口性能不好。不同廠家的轉換接口性能差異很大。
2.通訊線材質不好。必須是帶屏蔽層的雙絞線,如果是普通平行線,則會因為分布電容的影響,傳輸距離不會太遠,傳輸速度也上不去。
3.通訊線接錯位置或者通訊線接反。
4.上位機的儀表地址、波特率和儀表里面設置不一樣。
5.協議不對,有的協議是兩字節命令發送,有的協議是 4 字節命令發送。
6.通訊距離超過 1000 米,或者現場電磁干擾太大,這時應該增加中繼器來增加通訊傳輸能力。
7.現場測試時,*好是直接用電腦通過一根短線直接和儀表相連,這樣就排除掉了線材、環境電磁干擾等諸多因素,可以對 232/485 接口、接線或通訊協議迅速作出判斷。
附錄
LDG 智能系列測水流量計編碼一覽表

上一篇:測水流量計的選型與安裝
下一篇:液體管道流量計安裝規范