靜壓差液位計量程計算方法
點擊次數:3751 發布時間:2021-08-03 01:12:18
靜壓差液位計量程怎么計算
根據被測液體的密度
液面*高、*低的高度
計算:正壓室的*大壓力P+
負壓室的*大壓力P-
差壓液位計的測量范圍是P-~P+
量程是ΔP=P+-P-。
靜壓差液位計怎么遷移和設置
正常情況下,差壓變送器一般不需要進行遷移處理。但在實際應用過程中,由于要考慮維護、安裝等環節,便于使用過程中的操作,就會導致取壓點與儀表之間存在水平差異。因此,為了靜壓差液位計測量準確,那么就要進行遷移處理。
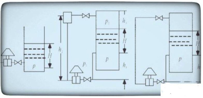
靜壓差液位計的零點遷移一般分為三類,一類是正遷移、一類是負遷移、一類是無遷移。這里所指的零點遷移,就是儀表在測量時為了保證其基本量的實效性,進而以靜壓差液位計測量起點為基準,來實施一種數值改變保障措施,改變的數值只是上下限數值,并沒有改變其測量量程。

上圖中是靜壓差液位計的三類零點遷移,從左到右分別是無遷移、負遷移、正遷移。
假如一個儲水箱的液位高度為0-100mm,當液位高度為零時差壓為0,當液位高度為100mm時差壓9.8kpa。因此,假如安裝位置與取壓點是水平位置,那就是無遷移,差壓變送器設置量程時為0~9.8kpa。
要是靜壓差液位計安裝位置與取壓點未在同一水平位置,計算出的壓差小于零為負遷移,差壓大于零為正遷移。
當算出的差壓小于零時,△P=ρgH-△hρog=9.8-△hρog<0。當液位高度為零時輸出信號低于4mA,當液位高度為100mm時輸出信號低于20mA。因此將靜壓差液位計進行負遷移,就能恢復4-20mA的標準信號輸出。此時靜壓差液位計的量程下限不在是0而是-△hρog,量程上限9.8-△hρog,即靜壓差液位計的測量范圍設置為-△hρog~9.8-△hρog。
當算出壓差壓大于零時,△P=ρgH+△hρog=9.8+△hρog>0。當液位高度為零時輸出信號高于4mA,當液位高度為100mm時輸出信號高于20mA。因此靜壓差液位計進行正遷移,就能恢復4-20mA的標準信號輸出。此時靜壓差液位計的量程下限不是0而是△hρog,量程上限是△P=9.8+△hρog,即靜壓差液位計的測量范圍設置為△hρog~9.8+△hρog。
靜壓差液位計在進行正負遷移時,只改變上下限數值,其量程是不變動的。由上述可知,若靜壓差液位計需要進行正遷移而沒有進行,造成輸出信號偏高,若靜壓差液位計需要進行負遷移而沒有進行,造成輸出信號偏低。
上一篇:靜壓差液位計如何接線
下一篇:靜壓差液位計測量原理