壓縮空氣流量計
- 品*:JKM/凱銘儀表
- 型號:JKM-LUGB
- 測量范圍:5-11000m3/h
- 精度等級:1.5級、1.0級
- 公稱通徑:DN20~DN1200
- 適用介質:氣體、液體、蒸汽
- 工作壓力:1.6MPa~10MPa
- 工作溫度:-80℃~450℃
- 供電方式:24VDC 鋰電池
- 訂貨號:LUJ835944JCM
壓縮空氣流量計產品概述
渦街流量計主要用于工業管道流體介質 的流量測量,如氣體、液體、蒸汽等多種介質。其特點是壓力 損失小,量程范圍大,精度高,在測量工況體積流量時幾乎不受流體密度、壓力、溫度、粘度等參數的影響。無可動機械零件,因此可靠性高,維護量小。儀表常數能長期穩定。插入式 儀表在管道的插入口安裝,球閥則可進行不斷流裝卸。以便在臟污介質中運行時定期清洗和維修。本儀表采用壓電應力式傳 感器,可靠性高,可在-20℃至+250℃的工作溫度范圍內工作。有模擬標準信號,也有數字脈沖信號輸出,容易與計算機 等數字系統配套使用,是一種比較先進、理想的流量儀表。
渦街流量計采用先進的差動技術,配合隔離、屏蔽、濾波等措施,克服了同類產品抗震性差、小信號數據紊亂等問題,并采用了獨特的傳感器封裝技術和防護措施,保證了產品的可靠性。產品有基本型和復合型兩種型式,基本型測量單**量信號;復合型可同時實現溫度、壓力、流量的測量。每種型式都有整體、分體結構,以適應不同的安裝環境。
渦街流量計具有量程比寬,精度高,安裝維護方便和介質適應性廣等一系列優點。可廣泛應用于石油、化工、冶金、機械、食品、造紙,以及城市管道供熱、供水、煤氣等行業的各種低黏度液體、氣體、蒸汽等單相流體的工藝計量和節能管理。
壓縮空氣流量計產品特點
▲不受溫度、壓力的影響,同時不易堵,不易卡,不易結垢,耐高溫、高壓。
▲安全防爆,適用于惡劣環境。
▲無可動部件、無空洞縫隙設計,產品無磨損、耐臟污,無需機械維修,使用壽命長。
▲采用微功耗高新技術,電池供電的現場顯示型流量計,可不斷電運行兩年以上。
▲穩壓補償一體化設計。
▲電流輸出均為電隔離型,具有良好的共模干擾抑制能力。
▲同時顯示流量值與累計流量值,不必輪流切換。
▲采用抗振探頭,有效消除外界振動影響。
▲電路采用表面貼裝工藝,結構緊湊,可靠性高。
▲采用分體式信號轉換器,電纜*長10米。
▲量程比寬達20:1。
▲整體結構設計合理,動態測量范圍寬,壓力損失小。
▲分體式渦街流量計采用不銹鋼材質,可適用于腐蝕性介質的測量。
▲現場液晶顯示,脈沖、4-20mA輸出或485通訊,可與工業自動化系統連接。
產品應用:煤氣流量計廣泛適用于石油、化工、冶金、熱力、紡織、造紙等行業對過熱蒸汽、飽和蒸汽、壓縮空氣和一般氣體(氧氣、氮氣、氫氣、天然氣、煤氣等) 、水和液體(如:水、汽油、酒精、苯類等)的計量和控制.
壓縮空氣流量計主要技術參數
●測量介質:液體、氣體、飽和蒸汽、過熱蒸汽
●公稱口徑:DN10 - DN500
●介質溫度:-40℃ - +150℃;-40℃ - +280℃;-40℃ - +350℃;-40℃ - +420(只限**產品)
●壓力等級:LUGB法蘭卡裝型,PN2.5MPa(*選);大于PN2.5MPa協商供貨
法蘭連接型,PN1.6MPa(*選);大于PN1.6MPa協商供貨
●法蘭標準:LUGB法蘭卡裝型,廠家提供專用法蘭
法蘭連接型,GB/T9119-2000(用戶可提供其他法蘭標準)
●精度等級:1.5級、1.0級(*選)、0.5級、0.2級(需協議供貨)
●可測流速范圍:液體,0.4 m/s -10 m/s
氣體、蒸汽,4m/s - 70 m/s
●放大器選擇:普通脈沖輸出型(12-24VDC)
普通兩線制4-20mA輸出型(24VDC)
壓縮空氣流量計流量范圍
壓縮空氣流量計選型說明
壓縮空氣流量計選擇配置
本公司生產的氣體流量計可以測量鍋爐飽和蒸汽、電廠過熱蒸汽、熱水、液體、導熱油等物質。顯示部分為*先進的液晶中文顯示,3.6V電池與DC24V雙供電,可顯示瞬時流量、累計流量、溫度、壓力、密度、頻率,所有數據清晰可見!配套法蘭、螺栓、墊片都給您配齊!
1、蒸汽:
1)若是管道內蒸汽的溫度和壓力時刻在變化,忽高忽低,不穩定且溫度不超過180°時,建議加單獨溫度補償或者單獨壓力補償,兩種補償任選其一,來實時檢測溫度或壓力,從而不間斷補償密度,以實現測量的精準度!適用于以成本核算、節能減耗的企業。
2)若是管道內蒸汽的溫度和壓力時刻在變化,忽高忽低,不穩定且用于貿易計量時,請務必選擇同時溫度和壓力傳感器補償,以此避免貿易糾紛,成本核算更加精準!
3)若是您現場溫度和壓力是恒定的,可選擇現場顯示電池供電或者220V供電遠傳顯示,無需溫度或者壓力補償。適用于自己內部使用,對精度要求不高的企業。
2、空氣:
1)壓縮空氣,一定溫度和壓力同時補償。兩者缺一不可!
3、液體
1)對于測量的物質為自來水、純凈水、汽油、柴油、導熱油(需用高溫探頭)等液體直接選擇普通配置現場顯示電池供電即可。
4、沼氣
1)沼氣的壓力一般都在5KPa-10KPa左右,不需要溫度壓力補償,可以選擇普通現場顯示減少成本。若是壓力超過20KPa,建議加溫度和壓力補償。


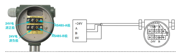
壓縮空氣流量計信號換算與接線方式
電壓脈沖換算成累積流量,(累計流量值)Qs=N/K,
K是流量系數(出廠都已經給定),N是一段時間內的總脈沖數。
1)可由二次儀表(流量積算儀、PLC等)將脈沖頻率f進行積算,得到一段時間內的總個數。
2)直接一段采集脈沖個數,得到總數。
脈沖輸出接線方式

485通訊接線


電流信號換算成瞬時流量(4-20mA接線方式)

485通訊接線

壓縮空氣流量計安裝距離的選擇
壓縮空氣流量儀表對安裝點的上下游直管段有一定要求(前10后5)不然會影響介質在管道中的流場硬性儀表的測量精度。儀表的上下游直管段要求如下:

注:1、儀表選型一定根據流量,切不可根據管道直徑,需變徑時必須變徑。
2、儀表安裝時氣體就高不就低,液體就低不就高。
3、根據渦街流量傳感器安裝可旋轉180°方向,水平管道安裝傾斜45°,或根據管道情況任意選定方向,便于接線盒維修。